首頁
關于我們(men)
産品展示
新聞(wén)資訊
公司新聞(wen)
行業新聞
信息(xi)公示
招賢納士(shì)
聯系我們
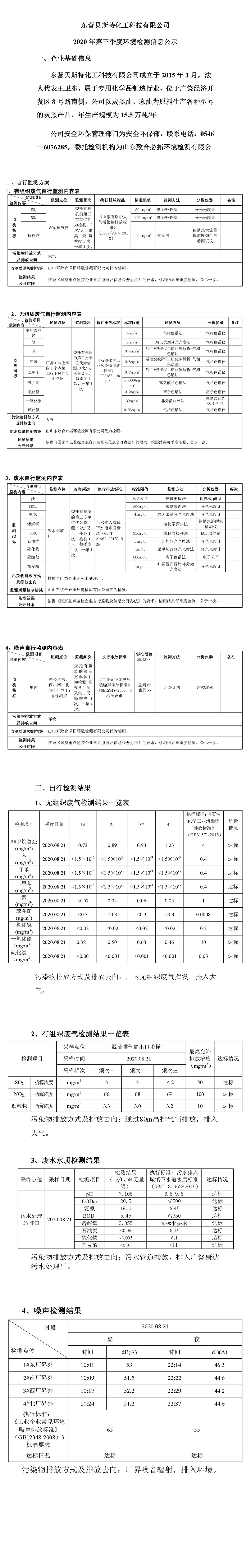
2020年第(di)三季度環境公(gong)示
2025-12-21
上一篇:土壤(rǎng)信息公示
下一(yī)篇:公司年産2萬(wan)噸特種工業炭(tan)黑項目環境影(yǐng)響評👨❤️👨價第一次(cì)公示
总 公 司(si)
急 速 版
WAP 站
H5 版
无(wu)线端
AI 智能
3G 站
4G 站(zhàn)
5G 站
6G 站